*Parameter Details

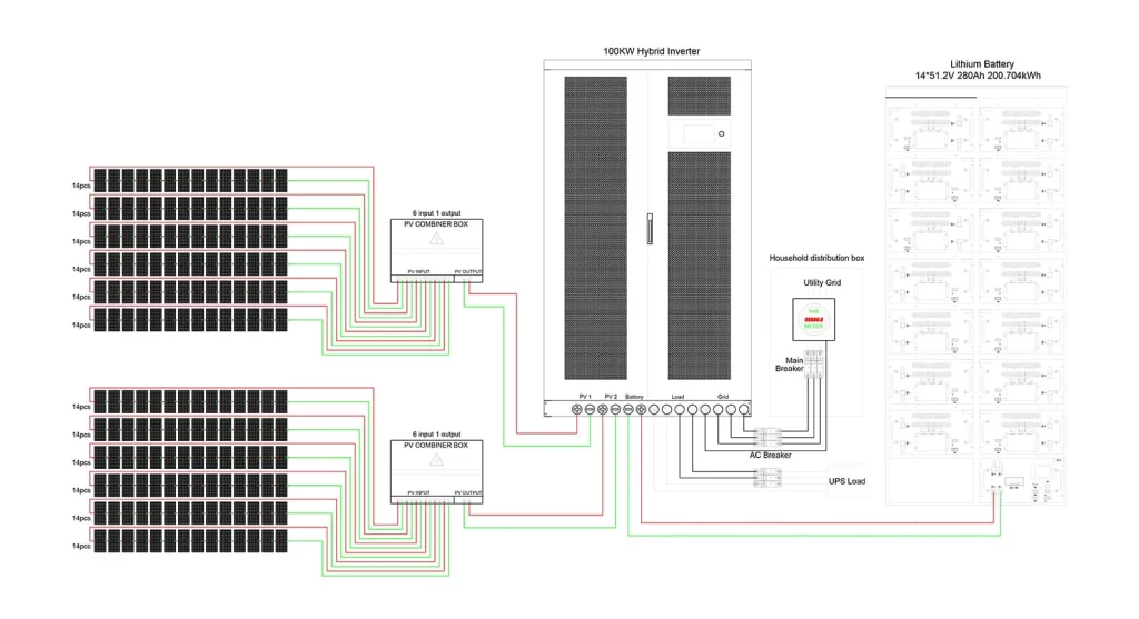
*Diagram Details

*Case Details




What Makes The MPS 100KW 150KW Hybrid Inverter Ideal For Commercial Use?
It Combines High Conversion Efficiency, Stable Three Phase Output, And Smart Energy Management For Large-Scale Applications.
Can The MPS 100KW 150KW Operate Without The Grid?
Yes, It Supports Both On-Grid And Off-Grid Modes, Providing Continuous Power During Grid Outages.
How Many MPPT Channels Does The MPS 100KW 150KW Include?
The Inverter Features Multiple MPPT Channels To Maximize Solar Energy Harvesting And Improve System Performance.
What Communication Options Are Available For MPS 100KW 150KW?
It Supports RS485, CAN, Modbus, And Wi-Fi Communication For Real-Time Monitoring And System Control.
Is The MPS 100KW 150KW Certified For International Standards?
Yes, It Meets CE And IEC62109 Standards And Is Designed To Comply With Global Safety And Performance Requirements.
What is the cost per kwh for 150 kWh energy storage system?
A 150 kWh commercial and industrial (C&I) energy storage project priced at $100 per kWh would cost at $15,000 installed.
In 2025, turnkey lithium-ion energy storage systems for commercial and industrial (C&I) applications cost $100 – $120 per kWh, Utility-scale systems typically range $130 – $150 per kWh, while small commercial or microgrid systems can reach $15 – $200 per kWh due to higher integration and permitting costs.depending on configuration and project scale.
Key cost components:
Battery modules (cells/packs): $90 – $160 /kWh
Inverter and power conversion system: $25 – $60 /kWh
Balance of system (BOS) + installation: $40 – $100 /kWh
Energy management and control software: $10 – $25 /kWh
Chemistry: LFP batteries dominate C&I deployments due to safety and cost stability; NMC remains in high-power or space-limited sites.
Scale efficiency: Per-kWh costs decrease by 20–40 % as capacity scales from 100 kWh to multi-MWh.
Integration scope: Containerized turnkey solutions lower engineering and commissioning time, reducing total cost.
Market trends: Global lithium carbonate prices fell by over 40 % from 2024, pushing system prices down ~10–15 %.



